気ままにでんきこうさく

気ままにでんきこうさく

PR

Profile

JOY2005

JOY2005

Comments

JOY2005 @ Re[1]:今日は節分(02/02) エンスト新さんへ こんばんは~。 落花生…
エンスト新 @ Re:今日は節分(02/02) こんばんは 落花生を撒くご家庭は落花生1…
JOY2005 @ Re[1]:初詣(01/03) エンスト新さんへ こんばんは~。 有名な…
エンスト新 @ Re:初詣(01/03) おはようございます ほとんどの神社で三…
JOY2005 @ Re[1]:初詣(01/03) MoMo太郎009さんへ こんばんは~。 …
MoMo太郎009 @ Re:初詣(01/03) ここはひよっとして石浜神社では? 「い…
JOY2005 @ Re[1]:明けましておめでとうございます!(01/01) MoMo太郎009さんへ こんばんは~。 …
MoMo太郎009 @ Re:明けましておめでとうございます!(01/01) 明けましておめでとうございます。 本年も…
JOY2005 @ Re[1]:明けましておめでとうございます!(01/01) エンスト新さんへ こんばんは~。 有り難…
エンスト新 @ Re:明けましておめでとうございます!(01/01) こんばんは 手作りの素敵なおせちですね。

Archives

2025.12
2025.11
2025.10
2025.09
2025.08

Calendar

Keyword Search

▼キーワード検索

Favorite Blog

ユッカラン・そろそ… New! じじくさい電気屋さん

フルグラ ブラック… New! エンスト新さん

試作スピーカー32.3… New! mabo400さん

山手線100周年 高輪… New! MoMo太郎009さん

今回も日和田山にお… New! Bacchus Antiquesさん

DA41という真空管 New! イィヴィ平野さん

「片手でタイヤ?そ… SPサイアンさん

秋ですね~ cob瘤さん

はじめとみかんのブ… はじめとみかんさん
ホシミスト3013の天… ホシミスト_3013さん
2011.05.22
XML
カテゴリ: オーディオ
可変コンデンサが完成しました。^^

完成

可変コンデンサは、ノイズを受けやすい回路に接続されるのでシールドは大切です。

塗装をサンドペーパーで良く落としてスイッチやカバーとの接触を良くしました。

塗装落とし

こちらは内部です。

小さめのケースだったので、結構ごちゃごちゃしています。

中身

中身

こんなに小さく出来ました。

市販品の1/4ぐらいの体積です。

完成

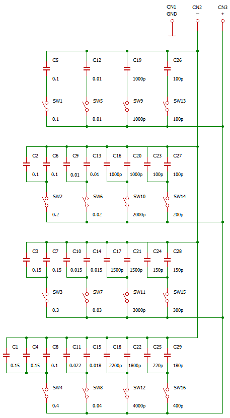
回路図です。

回路図





お気に入りの記事を「いいね!」で応援しよう

Last updated  2011.05.22 23:22:18
コメント(4) | コメントを書く


【毎日開催】
15記事にいいね!で1ポイント
10秒滞在
いいね! -- / --
おめでとうございます!
ミッションを達成しました。
※「ポイントを獲得する」ボタンを押すと広告が表示されます。
x
X

© Rakuten Group, Inc.
X
Design a Mobile Site
スマートフォン版を閲覧 | PC版を閲覧
Share by: