(株)リードの読めないブログ

(株)リードの読めないブログ

PR

Free Space


Keyword Search

▼キーワード検索

Profile

read.snow

read.snow

Calendar

Comments

JOY2005 @ Re:ランチア・ストラトス(01/04) 懐かしい! このカラーリングのランチアの…
加藤ちゃん@ コメントありがとうございました。 遅くなりましたがブログにコメントありが…
JOY2005 @ 凄いなぁ~ 完全に覚醒しましたね?^^;
一堂 霧 @ 師父 なんか楽天がまったくなじめなくなったの…
一堂 霧 @ 師父 コメントありがたく!!そして足跡消える…

Freepage List

2013.08.23
XML
カテゴリ: 自動車診断機
800px-1998_BMW_328i.jpg

写真はイメージです。

信号待ちなどでアイドリングを続けていると突然、エンジンが停止。
しかし、直後に問題なく始動して運行に支障が無いというスポット・トラブルです。

90年代の自動車はデザインが洗練されていてあまり古さを感じさせませんが(私のセンスが古いのか??)、18年も経っているんですね。

古さを感じさせる部品もあります。
PICT0027.jpg
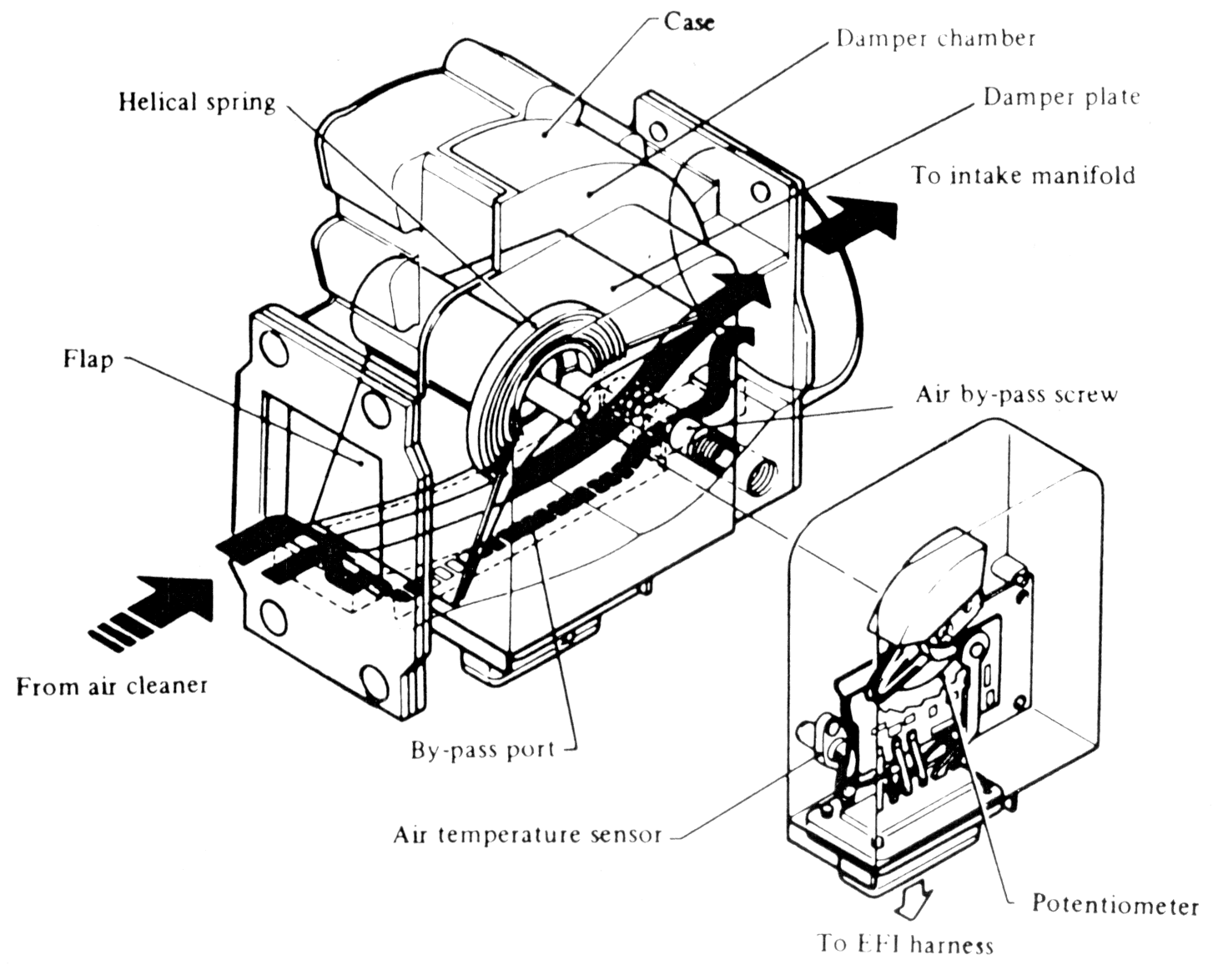
エアーフローメーターですね。
ボッシュの L-Jetro方式 です。

afs 2.gif
フラップの角度で吸入空気量を測定しているので体積流量を測定していることになります。
温度差による補正は吸気温度センサーによって制御されています。

この時代、既に多くのメーカーでは筒型の熱線式(Hotwire-Type)が採用されて
いましたが、メルセデスといい、ふるきを重んじるというのがドイツ人の習性なんでしょうかw?
air%20flow%20meter.jpg
Hotwire(熱線)、文字のごとく、加熱された電線を通過する吸入空気によって変化する熱線の伝導率を電気信号に変換しているので吸入空気は質量流量を測定していることになります。
温度変化による質量変化に対して燃料噴射を制御できるので理論空燃比に制御しやすいメリットがあります。

karman_vortex.jpg
特殊なものに カルマン渦式エアーフローメーター などというのがありましたね。
ミツビシのデボネアに付いていました。
ウィキペの動画がとてもわかりやすい。

話がそれてしまいましたが、エンスト、ですね。
エアーフローメーターとは全く関係ありませんww

PICT0010.jpg
Carsoft BMW6.5 自作Ver2.0 で診断しました。

E36.jpg
O2センサーとエアーフローメーターの故障となっていますが、そのまま信じてはいけません。
故障に関するインフォメーションがあります。ありがたいですね。
それによると、燃料ポンプのストップや吸気管のリークの可能性を示唆しています。
つまり、燃料の補正が濃い方向に追いつかないほど燃焼が希薄であるということですね。

PICT0014.jpg
燃料ポンプリレーとエンジンコントロールリレー(DMEリレー)です。
一番に可能性の高い部品といえるでしょう。

どちらも常にONになりっぱなしのリレーです。
PICT0016.jpg
接点(ポイント)を開いてみると、

PICT0018.jpg
焼けていますね。
DMEリレーのトラブルの定番メニューです。
燃料ポンプリレーはそれほどではありませんでした・・・・・

が、

ポイントを修正すればまだ使えそうに見えますが(んん~??)、このリレーは両方とも継続して使用することが出来ません。
PICT0020.jpg
リレーのコイルの色が褐色より緑がかったコイルは通電の発熱により変色してしまいます。
熱が上がると抵抗が増えるのでコイルのインダクタンスも変化します。
インダクタンスの減少により 電磁誘導 の低下を招きます。

長時間運転しているとこのような状態になり、突然止まることもあります。
エアーフローセンサーにはポイントの接触不良による電力の低下が考えられます。

コレが今回の症状の主原因です。

この説明、合っていますよね??詳しい方のツッコミ待ってます。

お問い合わせは

株式会社 リード
〒223-0056
横浜市港北区新吉田町5164
TEL:045-594-6180
FAX:045-594-6181
Email: read.snow@hotmail.co.jp

HomePage: 株式会社 リード
http://read6180.web.fc2.com/





お気に入りの記事を「いいね!」で応援しよう

Last updated  2013.08.23 19:50:13
コメントを書く


【毎日開催】
15記事にいいね!で1ポイント
10秒滞在
いいね! -- / --
おめでとうございます!
ミッションを達成しました。
※「ポイントを獲得する」ボタンを押すと広告が表示されます。
x
X

© Rakuten Group, Inc.
X
Design a Mobile Site
スマートフォン版を閲覧 | PC版を閲覧
Share by: