めいてい君のブログ

めいてい君のブログ

PR

Calendar

Archives

Dec , 2025
Nov , 2025
Oct , 2025
Sep , 2025
Aug , 2025
Jul , 2025
Jun , 2025
May , 2025
Apr , 2025
Mar , 2025

Keyword Search

▼キーワード検索

Comments

めいてい君 @ 日本の純資産~過去最大の純資産で円建てでは世界最大 [東京 28日 ロイター] - 財務省は2…

Category

寄稿(宇治見、マドレーヌ、トキめき橋氏ほか)

(68)

自由が丘氏寄稿文

(189)

Tsunami氏寄稿、SCRAP記事、写経・感想など

(326)

政治・経済(国内統計etc.)

(725)

世界、国際比較(国際統計etc.)

(228)

生活全般

(129)

基本事情(各国)

(114)

アジア州

(257)

ヨーロッパ州

(293)

北米地区

(206)

中南米地区

(112)

オセアニア州

(104)

中東地区

(51)

アフリカ州

(126)

宇宙の不思議・開発etc.

(71)

気候変動など

(7)

津波・自然災害

(30)

自然の脅威、驚異etc.

(47)

資源・エネルギー(陸・海洋etc.)

(49)

発電・原発事故・放射能事故

(74)

金融(事件含む)

(128)

PC・家電

(229)

スポーツ・余暇・車

(264)

栄養・健康

(143)

病気・伝染病など

(191)

事故・災害

(102)

福祉・厚生・年金問題

(59)

公害

(15)

流通(商品)・廃棄関連

(17)

新技術

(30)

友人・知人・地縁等

(40)

土佐の高知

(63)

(49)

お墓・葬儀・戸籍

(24)

ガーデニング&DIY

(14)

TV番組

(15)

海外旅行

(6)

国防/テロなど

(41)

財政・税・電子証明など

(28)

自治体、地元、遺産など

(37)

店舗

(6)

公衆道徳/法律など

(26)

裁判/調停

(7)

宗教

(21)

ブログ

(31)

テンプレート(表形式etc.)

(3)

DVD収録など

(6)

ホームページ、ウエブ会議など

(48)

祝い事など

(14)

会社時代

(22)

学生時代

(7)

物語り

(43)

経済学研究

(26)

思考紀行

(73)

作業中マーク(終了次第削除)

(0)

洞察力

(1)
Jul 29, 2023
XML












2023年7月度の東京都区部のCPI


https://www.stat.go.jp/data/cpi/
             sokuhou/tsuki/pdf/kubu.pdf

******
「CTRL」+「+」を数回押す
 ・・・ 2~3回くらい
元に戻すには
「CTRL」+「0」を押す
******


1.所轄官庁の公表資料~総務省


















​​




























2.民間の報道機関

https://www.yomiuri.co.jp/

読売新聞
2023/07/28
 13:42

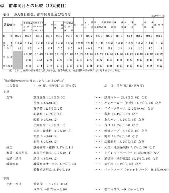
「東京都区部の消費者物価、
 7月は前年より3.0%上昇…
 食料など高止まり」




 総務省が28日発表した
7月の東京都区部の消費者物価指数
(2020年=100、中旬速報値)は、
値動きの大きい生鮮食品を除く総合が105.1で、
前年同月に比べ3.0%上昇した。
上昇は23か月連続。
燃料価格の下落で電気代の下落幅は拡大したが、
食料は約47年ぶりの水準となるなど、
物価高が家計を圧迫する状況が続いている。 
上昇率は2か月ぶりに縮小し、6月の3.2%から
0.2ポイント減った。
電気代がマイナス16.7%となり、6月のマイナス
10.9%から拡大した。
総務省の試算では、政府の電気・ガス料金の負担
軽減策がなければ4.0%だった。
生鮮食品を除く食料は9.0%で、1976年5月以来、
47年2か月ぶりの水準となった。
調理カレー(23.8%)、乾燥スープ(16.6%)、
外食のハンバーガー(14.3%)などが目立った。
トイレットペーパー(14.3%)、
宿泊料(15.1%)なども上昇した。 
一方、家計の実感に近い生鮮食品を含む総合指数の
上昇率は3.2%で、6月と同じだった。​​


翌日の朝刊Viewer
2023/07/29  1面









2023/07/29  3面















3.SBI証券による
  10年物日本国債の金利の動き



4.日銀の発表とNHKの反応

「ロンドン市場 日銀発表に驚きも
 円相場は落ち着いた値動きに」
  NHK2023/07/28 21:12


日銀が金利操作をより柔軟に運用すると発表したことは
ロンドン外国為替市場でも驚きをもって受け止められま
したが、円相場は落ち着いた値動きとなっていて、
1ドル=139円台前半での取り引きとなっています。


日銀が28日まで開いた金融政策を決める会合で、
金利操作をより柔軟に運用することを決めました。


東京外国為替市場では円相場が一時、1ドル=141円台
まで値下がりし、その後、円を買い戻す動きが出て、
1ドル=138円台前半まで円高が進む荒い値動きとなり
ました。


28日のロンドン外国為替市場でも、投資家のあいだで
日銀の決定は驚きをもって受け止められましたが、
落ち着いた値動きとなっていて、1ドル=139円台前半
での取り引きとなっています。


市場関係者は「日銀の決定は驚いた。
投資家のあいだでは、イールドカーブ・コントロール
という金利操作の枠組みの事実上の撤廃に向けた動き
が始まったという受け止め方も少なくない」とした
うえで「発表内容が分かりにくかったため、トレーダー
の多くが戸惑い、荒い値動きとなったのではないか」
と話していました。


また、別の市場関係者は「日銀の決定は円買い要因だが、
アメリカ経済の回復が力強いことから、ドルも買われ
やすく、一方的に円が買われる展開にはなっていない」
と話していました。






お気に入りの記事を「いいね!」で応援しよう

Last updated  Jul 29, 2023 03:13:35 PM
コメント(0) | コメントを書く


【毎日開催】
15記事にいいね!で1ポイント
10秒滞在
いいね! -- / --
おめでとうございます!
ミッションを達成しました。
※「ポイントを獲得する」ボタンを押すと広告が表示されます。
x
X

© Rakuten Group, Inc.
X
Mobilize your Site
スマートフォン版を閲覧 | PC版を閲覧
Share by: