🤠 OAK GARAGE 🤠

🤠 OAK GARAGE 🤠

PR

Profile

KEI_OKU

KEI_OKU

Keyword Search

▼キーワード検索

Comments

コメントに書き込みはありません。

Favorite Blog

まだ登録されていません
2020.01.09
XML
カテゴリ: VW GOLF WAGON
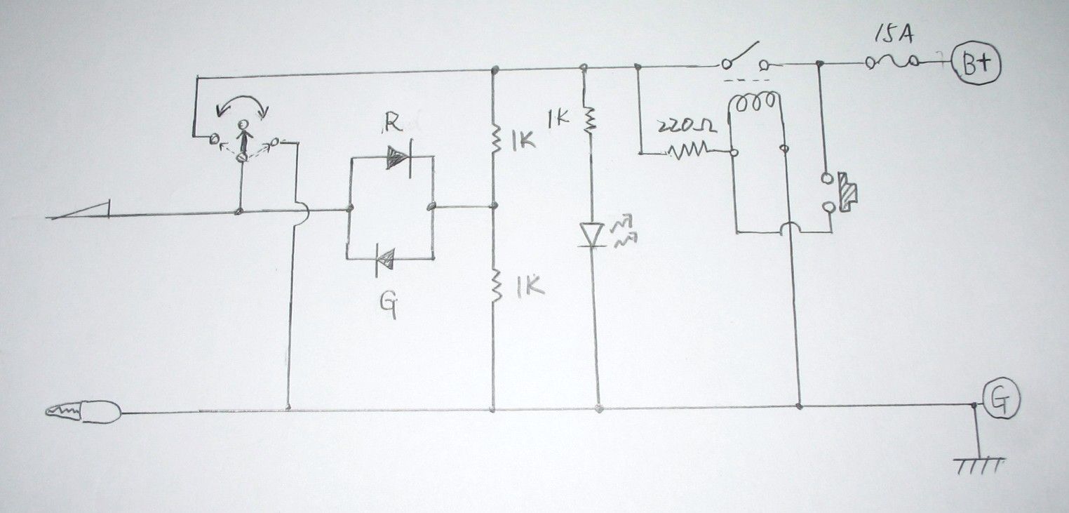
LOAD Proの試作は部品待ちなのでPower Probeを試作します。
・・出来る限りローコストで作ろうと思います。

まず古い車から外した12V4Pリレーでブレーカを作るため実験します。
12Vの電圧を印加した後、接点を保持できる電流制限抵抗を探りました。
定電圧電源を使い電圧を下げながら求めた値はリレーに直列に220Ωが
丁度良い具合になりました。

次にリレーやスイッチが入るケースをセリアで求めました。
調味料用の容器です。



電子パーツのジャンクBoxから使えそうな部品を集め点検します。




・右の押し釦でリレーONとなり220Ωの抵抗でリレー接点を保持します。
・左端のプローブは切り替えSWでバッテリー電圧/中立/−アースとなります。
・プローブで+架電中、アースとショートさせた時は電圧降下により
 リレーは瞬断し、ブレーカとして機能します。
・切り替えSWが中立時、プローブで赤or緑LED点灯による通電・極性判定



ケースに部品取付用の穴を開けました。
3P中立SWは古いホーンSWだろうと思います。
SWレバーが長いタイプでしたので真鍮棒からボールを作り、取替えました。
プローブも細い真鍮棒と陸軍端子から作ってみました。



・・引き続き加工を進めて行きます。





お気に入りの記事を「いいね!」で応援しよう

Last updated  2020.01.09 15:51:41
コメント(0) | コメントを書く


【毎日開催】
15記事にいいね!で1ポイント
10秒滞在
いいね! -- / --
おめでとうございます!
ミッションを達成しました。
※「ポイントを獲得する」ボタンを押すと広告が表示されます。
x
X

© Rakuten Group, Inc.
X
Design a Mobile Site
スマートフォン版を閲覧 | PC版を閲覧
Share by: