2020.07.24
XML
カテゴリ: 奈落の落とし穴


外観はこのようになりました。

現行の形状とちょっと違います。

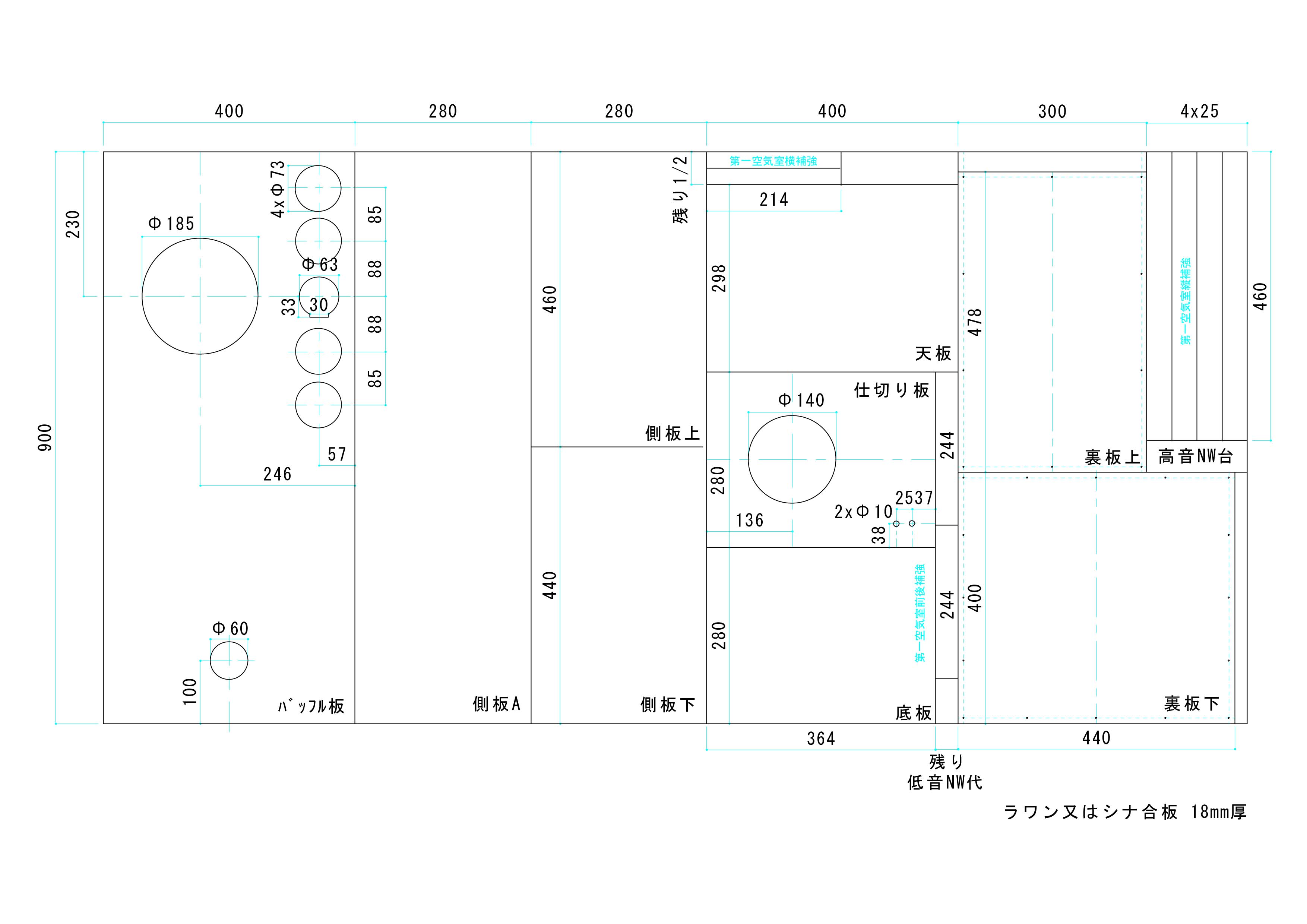
尚コチラはRチャンネル。

図面の書き方がおかしくてスイマセンw

続いて板取図。こちらは右チャンネル。

続いて左チャンネル。ただミラーリングしただけというw


前回との大きな違いは中高音部を塞いでいた側板の撤去。

これにより2つの利点と1つの懸案事項が生じた。

まずは利点から。

何と言ってもキャビネット組立後に結線できるのが大きい。

それとコーコー音の軽減。箱になっていないので

共鳴しようがない^^

懸案事項はスコーカーのカットオフ周波数である600Hzが

再生できるかという事。

平面バッフルの考え方で行くとカットオフは6.3KHzだからねぇ...^^;

まぁもう一方にも側板があるので大丈夫でしょう(多分w)



また板厚を15mmから18mmに厚くしている。

いつも15mmで設計しており強度不足を感じた事は無かったが

さすがにDB型だと15mmでは不安が伴う。

実際バッフルに各ユニットを取り付けた際、

本当に大丈夫だろうかと心配になったぐらいだ。

18mmなら十分だろう。21mmまでは必要ないと思う。



板取図を見て頂ければわかると思うが

定尺板のほとんどをパーツとその補強材に充てている。

その余りをネットワークを組み込む台座にしている。

「台座は不要でそのままスピーカーにつけちゃう!」

も当然アリなので、その辺りは臨機応変に対応頂きたい。

仕切り板の隅にある小さい穴二つはターミナル用。

ターミナルはFOSTEX社のターミナル

( T150B / P24B )の寸法に合わせてある。

使用するターミナルがこれと異なる場合は

当然それに対応した穴を開ける必要がある。

吸音材 は第一空気室の裏板と、

第二空気室の底に貼る。それだけで十分ことが足りる。



一応スペックを説明しておこう。

第一空気室:31L
第二空気室:37L

第一ダクト周波数:104Hz
第二ダクト周波数:47Hz

必要以上に低音を狙わなかったのは、

前回の製作で余りに低音を欲張り過ぎると

かえって低音不足の音になる事分かっていたので

あえて狙わなかった。

更に低音を狙い方は第一ダクト径を直径4cm、

第二ダクト径を12cmで試してほしい。

多分このあたりが限界だろう。



一応組立図と板取図があるので、

自分で作ろうと思えば作れる。

ホームセンターで板買って

切ってもらえばいいんだからね。

ただホームセンターでも所によっては

丸穴明けてくれない所があるので

それは事前に確認しておこう。

自作に自信が無い方は建具屋さんに持ち込んで

組立までやってもらうというのも手かもしれない。

きっとキレイに作ってくれると思う。



ハンドメイドするなら 木工用速乾式接着剤

長さ30mm前後の木ねじはが必要となるだろう。

木口にネジを立てる際は下穴を開けないと

ベニアが割れてしまうので要注意。

特に太い木ねじを使う場合は厳重注意だ。

後は普通に組み立てていけばよい。

補強材は後で入れる場合と板材の時に

事前に取り付けなければならない所があるので

注意してほしい。組立図が理解できる人なら

難なく組立は可能だろう。



続く。



 (´・ω・`) <えっ?! まだ続くの?!





お気に入りの記事を「いいね!」で応援しよう

Last updated  2020.07.24 06:00:09
コメント(0) | コメントを書く


【毎日開催】
15記事にいいね!で1ポイント
10秒滞在
いいね! -- / --
おめでとうございます!
ミッションを達成しました。
※「ポイントを獲得する」ボタンを押すと広告が表示されます。
x
X

© Rakuten Group, Inc.
X
Mobilize your Site
スマートフォン版を閲覧 | PC版を閲覧
Share by: