全15件 (15件中 1-15件目)
1
5月17日(日)、快晴・・・暑かった!!徳島市入田町「天ノ腹」🎵凄い記名です!!徳島市八多町…
2026.05.17
コメント(0)
前回に続き、AIに漫画を綺麗に描いてもらいました。元ネタはこちらです。
2026.05.17
コメント(0)
パソコンの電源がはいらない事があると言うので、新しいパソコンをあつらえて渡し、…
2026.05.13
コメント(0)
クワガタムシを見つける。団地の階段にいた。近くに林が有るので飛んできたと思われる。 …
2026.05.09
コメント(0)
今日はリハビリかねて、ぱぱりんと買い物帰りにちょこっと、石井ドームの藤棚の下を散策…
2026.05.07
コメント(50)
GPSと連動したデータロガーを作りました。 ArduinoNanoEveryでGPSデータロガーの製作…
2024.06.23
コメント(0)
新たなチャレンジということで3Dプリンターを購入しました。 ELEGOO MARS2 PRO 光造形方…
2022.07.15
コメント(0)
何となくアウトドア用品を整理していて 20年以上前に買ったガスバーナーを使いたくなっ…
2021.10.16
コメント(0)
セリアで見つけたバックでポーチ(小物入れ)を作ってみました マチ付きのガゼットバッ…
2019.01.28
コメント(0)
世の中はゴールデンウイーク真っ只中ですが、この年になると だんだん人ごみが苦手にな…
2017.05.07
コメント(1)
SLA7078を使用した回路です。 CDXはカレントダウン(停止電流)、ソフトで制…
2016.09.11
コメント(2)
昨日は、残念ながら負けましたが すごく面白い野球が見られましたね。 負けたら悔しいで…
2016.03.26
コメント(0)
仕事に行き出してからというもの、なかなかPCの前に座る時間が取れなくて ついつい…
2013.06.19
コメント(0)
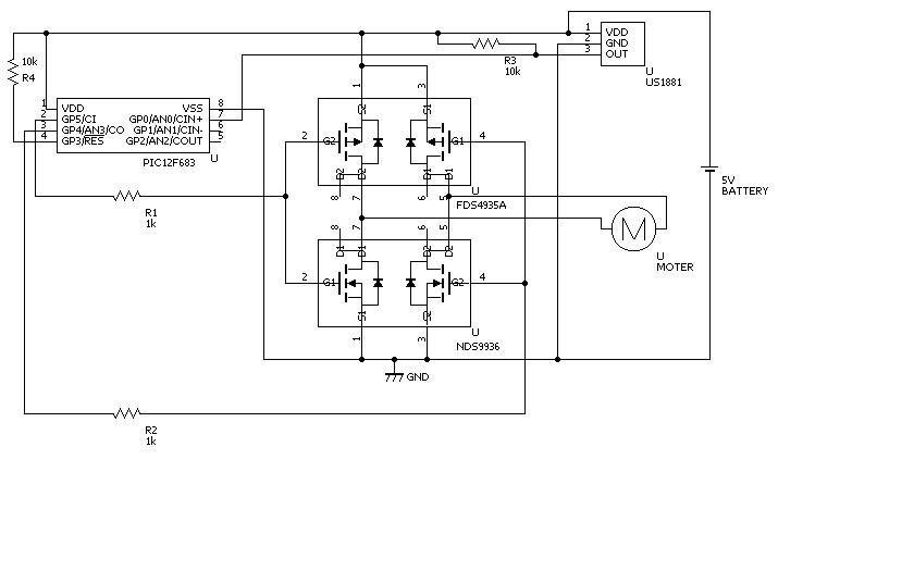
回路図です、PIC12F683を使用しました。本職は、一応ソフト屋なので回路は実際の資料で …
2013.03.11
コメント(0)
ただ今、仕事に行く直前です 早く起きて少し時間があったので日記の更新をしてます。 …
2009.09.21
コメント(0)
全15件 (15件中 1-15件目)
1
![]()

