I歯科医院の高楊枝通信。

I歯科医院の高楊枝通信。

2014.11.24
XML
カテゴリ: オーディオ

【新品】【本】【2500円以上購入で送料無料】【新品】【本】【2500円以上購入で送料無料】トランジスタ技術

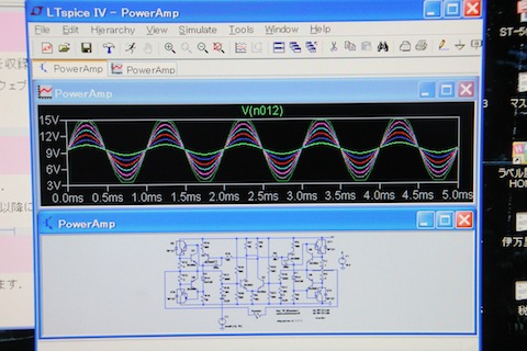
トラ技の12月号に回路シミュレータLTspiceの無制限版(なんと太っ腹!)がおまけで付いているので、
さっそくゲットしましたw

僕はソフトを使うのが苦手なので、あまり使わないとは思いますがww

サンプル回路を開いてみました。

IMG_5674.JPG

BTLパワーアンプで、プローブを当てた部位の波形がオシロスコープで見るように出ました。

IMG_5675.JPG






お気に入りの記事を「いいね!」で応援しよう

Last updated  2014.11.24 22:51:39
コメント(1) | コメントを書く


【毎日開催】
15記事にいいね!で1ポイント
10秒滞在
いいね! -- / --
おめでとうございます!
ミッションを達成しました。
※「ポイントを獲得する」ボタンを押すと広告が表示されます。
x
X

PR

Keyword Search

▼キーワード検索

Favorite Blog

高市首相は対中国戦… New! Condor3333さん

VALVOのE2dという真… New! イィヴィ平野さん

武寧王国際交流の旅… New! Shige&Happyさん

小屋裏昇降はしごの… toyotaka117117さん

2025年「馬見丘陵公… リュウちゃん6796さん

Freepage List

重曹が虫歯を救う!?


重曹水の作り方


MMS口腔用二酸化塩素水の作り方


唾液中のHCO3(重曹成分)の濃度は?


重曹はみがき


重曹が虫歯に効くワケ2動画(酸の中和)


重曹水の作り方動画(重曹うがい用)


歯周病01。


歯周病解説その1~その4+おまけ。


咬合の常識と非常識


うがい剤 「プロトンフリー」、リリース!


使用している材料器具


α-TCPセメント+3MI○


僕が使っている機械器具・材料00


僕が使っている機械器具・材料01


CRでの隣接面の作り方


3MIXの作り方


3MIX(スリー・ミックス)


α-TCPの入手法と根管治療の応用法


歯と金属間の自然電位差


虫歯の常識、非常識1


虫歯とはどういうものか?


歯茎部カリエスの電気化学


ハイブリッドクラウンの2次カリエス1.3(2次カリエスの防ぎ方)


抜歯再植症例リスト0.01


ほんとうの虫歯の発生メカニズム


ほんとうの虫歯の発生メカニズム2


隣接面カリエスのでき方


虫歯は金属の錆や腐食と同じ0.52(虫歯の電気化学的解析)


虫歯の発生実験


無限大バッフルの製作0.00


無限大バッフルの製作0.01


無限大バッフルの製作0.02


無限大バッフルの製作0.03


無限大バッフルの製作0.04


無限大バッフルの製作0.05


無限大バッフルの製作0.06


無限大バッフルの製作0.07


無限大バッフルの製作0.08


無限大バッフルの製作0.09


無限大バッフルの製作0.10


無限大バッフルの製作0.11


無限大バッフルの製作0.12


無限大バッフルの製作0.13


無限大バッフルの製作0.14


無限大バッフルの製作0.15


無限大バッフルの製作0.16


無限大バッフルの製作0.17


無限大バッフルの製作0.18


歯の電気伝導経路(遠心歯根面カリエス)1


歯の電気伝導経路(遠心隣接面カリエス)2


歯の電気伝導経路(八島、藤森論文)3


ストリップスを使わない隣接面CR1.0(虫歯の電気化学説)


ストリップスを使わない隣接面CR1.1(虫歯の電気化学説)


1回で終わる根管治療8.0(α-TCP+3MIXによる根管充填法)


抜歯再植症例1.0


高カリエスリスク症例0.2(虫歯の電気化学説)


高カリエスリスク症例0.3(糖質と虫歯の関係)


高カリエスリスク症例0.4(糖質と虫歯の関係)


高カリエスリスク症例0.5(糖質と虫歯の関係)


高カリエスリスク症例0.6(糖質と虫歯の関係)


高カリエスリスク症例0.7(糖質と虫歯の関係)


高カリエスリスク症例0.8(糖質と虫歯の関係)


高カリエスリスク症例0.9(糖質と虫歯の関係)


高カリエスリスク症例1.0(糖質と虫歯の関係)


高カリエスリスク症例1.1(糖質と虫歯の関係)


高カリエスリスク症例1.2(右上6の再建)


高カリエスリスク症例1.3(右下6の修復、歯の発生上の虫歯の問題)


歯の発生のイメージ


高カリエスリスク症例0.0


高カリエスリスク症例0.1


1回で終わる根管治療(歯髄壊死症例)


部分的歯髄失活歯の歯髄保存法


CR歯冠再建法


ストリップスを使わない隣接面CR0.2


Calendar

Comments

mabo400@ Re[1]:重曹水の作り方動画(重曹うがい用)(11/15) 楽天ルシファーさんへ そうですね。局方…
楽天ルシファー @ Re:重曹水の作り方動画(重曹うがい用)(11/15) 巷では、色々な種類と名称が付いた重曹が…
mabo400@ Re:TOA(11/13) mizさんへ おはようございます、頑張られ…
miz@ TOA <small> <a href="https://www.youtube.c…
mabo400 @ Re[1]:超高齢化の現実3.0(10/30) 楽天ルシファーさんへ そうなんですよ。。…

Category

カテゴリ未分類

(17)

虫歯の電気化学説

(324)

削らない・抜かない歯科治療

(1053)

オーディオ

(990)

もったいない学会

(450)

バイオフィルム

(29)

フッ素について

(19)

メインテナンス歯科

(8)

食べること。

(151)

太陽

(154)

虫歯予防一口メモ

(50)

電気二重層キャパシタ

(3)

エネルギー

(64)

節電

(53)

地球温暖化

(33)

マネー

(170)

ドクターのつれづれ。

(578)

江戸時代

(12)

お知らせ

(167)

院内感染対策。

(18)

食料備蓄

(6)

発明塾

(37)

スタッフからの便り

(12)

都市農業

(144)

歯科検診

(9)

プリウス

(13)

マイクロ水力発電

(4)

秋月

(9)

モデル

(38)

原発

(335)

ソーラーハウス

(923)

アマチュア無線

(10)

幸運を呼ぶシリーズ

(15)

ダイアグノデント

(5)

義歯

(250)

試作スピーカー

(346)

外傷性咬合

(85)

今日の諦めよっかな〜、、wシリーズ

(63)

今日の充填治療シリーズ

(188)

今日の抜歯再植術シリーズ

(219)

今日の2次カリエスシリーズ

(40)

今日の何やっているの?シリーズ

(88)

若い子の歯科治療シリーズ

(45)

今日も野戦病院シリーズ

(68)

今日の歯列矯正シリーズ

(77)

CPUを創ろう

(7)

拾った?ネコ

(3)

ボロボロシリーズ

(25)

近未来の根管治療シリーズ

(122)

before/after シリーズ

(31)

スーパーテクニック・シリーズ

(53)

ストリップスを使わない隣接面CRシリーズ

(108)

コーヌス義歯の製作過程

(40)

究極のワンオペ歯科治療

(8)

α-TCP

(18)

フリーページ

(6)

© Rakuten Group, Inc.
X

Design a Mobile Site
スマートフォン版を閲覧 | PC版を閲覧
Share by: