全32件 (32件中 1-32件目)
1
scankeylx で USB カードリーダーを使用できる事になっている。しかし、USB カードリーダーの全てのスロットを Linux (KNOPPIX) で認識できない現象がある。KNOPPIX を起動するときに、以下の様に入力すればよい。noswap を入力するかどうかは任意だ。本質的には scsi_mod.max_luns=8 の部分に意味がある。boot: knoppix noswap scsi_mod.max_luns=8カードリーダーのスロットが Logical Unit になっていて、その数 (Number) の最大を 8 に設定するおまじないだ。このまま手順化するには問題がある。'_' や '=' の入力が日本語キーボードの場合、簡単に出来ない。もちろん、代わりの手段は存在する。しかし、分かりにくい。もうしばらく、手順化について考える必要がある。/sys 以下に書き込むことでも可能なことも確認している。こちらは入力する文字が多すぎる。どうも、Linux (UNIX 系 OS)は奇妙なおまじないだらけになる。/sys も /proc も、工夫次第では Windows の レジストリより遥かに動的で、柔軟な機能を提供できる可能性を秘めている。例えば HTTP 風なインターフェースだって可能なはずなのに。
2006.10.31
コメント(0)

過日の話題だけど、ハロウィンに合わせて、遠目で「かぼちゃのパン」を売っているのが見えた。しかし、近寄ると「みかんのパン」だった。外観的に「かぼちゃのパン」として売っても何の問題もなさそうだ。どうするか迷った挙句、「みかんのパン」として売ったのか、確かめたく 1 個買ってみた。「みかんのパン」だった。中にオレンジマーマレードが入っている。このデザインで「かぼちゃのパン」として売って、ハロウィンが過ぎたら「みかんのパン」として売っても、何の問題も無さそうだ。40円引きは何となくズレた企画を物語っている気がする。頑張れ山崎パン。
2006.10.30
コメント(2)
電子マネー対応の中が見える紙パックジュース販売機(面倒なのでメーカー直ではない)で買うときの注意だ。空になった棚の商品を絶対に選択してはいけない。損するのは覚悟で、空の棚を選択したら、電子マネーの引き落としを成立させ、そのまま動作した。機械が空を切る。当然何も出てこない。リーダーに返金機能は無い。よって丸々損をする。このタイプの自動販売機、棚が空になったセンサー、あるいは、カウンタが付いていない様だ。実体が無い電子マネーだから、返金も安全かつ自由なはずだけど、余計に不便らしい。変な実験?まぁ、「90 円で寸劇が見られる」と思っただけ。
2006.10.29
コメント(0)
実家の母から留守電に FAX を送信できないとの連絡、手間だけど、半日掛けて原因調査する。本心は FAX ではなくてメールでお願いしたいのだけど。対策は以下の様になった。応答メッセージが流れている間に FAX 送信してもらう。応答メッセージが終わった後、暫く無音状態にして、その後「ピー」音と共に伝言録音をするようにした。応答メッセージを肉声の物に差し替えた。実は光 IP 電話化するついでに、電話機も変更した。SHARP UX-D56CL だ。色々と試してもらったけど、ことごとく失敗する。原因を明かせば、「ピー」と鳴った後だと音声録音しか受け付けない UX-D56CL の仕様が問題だった。以前使っていた SANYO の電話機はピーと鳴った後でも、FAX を受け付けていた。SHARP の相談センターに電話して、テスト送信してもらって気づいた。相談センターの人は応答メッセージが流れている最中に、構わず送信を開始する。話を最後まで聞いていない。関西系のメーカーはセッカチだなぁ。では、応答メッセージが流れている間に、送信してもらえば良いのかと言うと、これも問題があった。最初から入っている機械的な応答メッセージを、相手 FAX は UX-D56CL が送信要求を出したと認識して、受信待ちをしてしまう。IP 電話にしたせいかもしれない。圧縮/展開された応答メッセージを誤認しているように思える。応答メッセージを肉声に差し替えて、手短に FAX 送信手順を説明、これでようやく解決した。
2006.10.28
コメント(0)
母から500円の商品券を貰った。でも使うの忘れそう。商品券が使える場所は仕事の行き帰りに閉まっているし、土日もお出かけのとき通るけど、行きに買えば荷物で、帰りは疲れ果てていて、買い物の気分ではないことが多い。色々と趣味の時間も割いてはいる。けど、仕事で、生活で「××を何時までにする必要がある」と言うことがあまりにも多い。500 円の得でも、期限を切られた事が有るのは、勘弁してほしいのが本心だったりする。親切だとは思うけどゴメン。頭の中から一つだけでも良いから、日時を少なくしたいんだ。
2006.10.27
コメント(0)

半年以上組み立てを休んでしまった基板がある。組立作業を再開した。たった半日(12時間)も掛ければ通電まで出来るはずなのに。たしか、組み立て途中で風邪を引いてしまい放置した。再開するに当たり、図面探し、部品配置の確認、途中状態の把握、一気に乗って仕上げていれば、しなくても済むことが課題になる。図面は気になるところが多い。回路方式を変更したくなる思いがよぎる。基板を再点検すると配線ミスが見つかる。本当にミスなのか考えてしまう。そもそも、組み立てたとして、今のやりたい事と一致しているか。でも、過去に向き合う、後もう少し、組み立てに必要な時間は 10 時間を切ったはずだ。
2006.10.26
コメント(0)
昨日のことだった。断続的に降る雨の中、熱いキスを交わす二人、帰りの途中で見た光景だ。風邪引いちゃうぞ、せめて今日みたいな晴れた日にすれば良いのに。風邪で火照った体を寄せるのも、それはそれで良しなのか。苦楽を共にする中なのだから。
2006.10.25
コメント(0)

日米(2007.1.4 千石に訂正)で買ったジャンク袋に入っていた Melody IC 7920 (7920Q) が何の曲だか聞きたく、ブレットボードに回路(Bsch3V+PDF)を組んだ。すでにメーカーのサイトにはデーターシートは無く、探すのに苦労した。流れてきた曲は、『見よ勇者は帰る』だった。相撲の表彰式に流れるあの曲と言ったほうが、分かると思う。下の写真のようなブレットボードなので、発振は安定しないし、自分の耳に絶対音感なんて無いから、音は狂っていると思う。実際、手を近づけて音が変化した。これは、良くあることだ。さらに、照明の有無だけで音が変化した。一体なぜ?んー、ジャンク拾ってこの曲、何とも複雑な気分だ。日米のおねえさん(2007.1.4 千石のお兄さんだね)、なかなか洒落たことをするものだ。自分の机の上に帰還した勇者 7920Q は 55 個(画像は 54 個 + 1 個演奏中)、曲の背景を知ると、せめて帰るところが有っただけでも良しとしたい。
2006.10.24
コメント(3)
仕事場の廊下を通ると、暖かい空気が顔をなでる。暖房が入ったようだ。もう冬なのか、まるで逆の環境で季節を感じる。冷たい雨がガラスを滴るのを目で追い、雨が強いことを確かめる。そういえば夏の感じ方も逆だった。天井から降りる強い冷気で、すっかり冷えてしまった売り場の弁当を手にし、「今日も暑い、冷房強いな」と感じた。これからの季節「冷たい弁当も悪くは無い。腐敗の心配は無いから」と無理に納得する日々から、「あぁ、ちょっと温かいくらいが丁度かな」と思えるようになる。
2006.10.23
コメント(0)

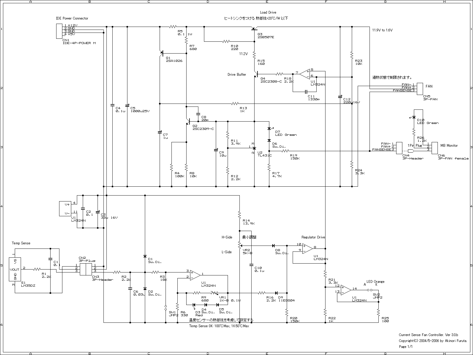
作っていたファンコントローラを PC に組み込んで使用開始した。過電流保護状態で、発振することを確認している。下は使用開始した時点の回路だ。2006/11/1 掲載回路図形式を CE3 (Bsch3V) に変更、コメント修正、回路変更は無い。過電流保護の発振は定電流制御が目的ではないので、安定化は見送った。過電流時の応答性を重視した。下は負荷 5 Ω時、過熱保護も働いた状態で電流制限が掛かっているときの出力 FAN+ 波形である。時間軸: 10uS/DIV, 上: AC 結合, 0.2V/DIV, 下: DC 結合, 1V/DIV になっている。ピークで 280mA 以下、平均は 200mA 以下になる。とは言っても、C7 2.2uF を入れたように少し、発振周期を大きくしている。C7 の悩みは、Q1 2SA1026 の負担になりそうな点もある。一応、電源投入時の過渡状態でも Ic が規格内になりそうなことを確認している。LM35 センサーアンプ周りは整理して、LM358 を使えるようにしたほうが良かった。LED のモニターを付けるなら、ファンと並列に R+LED でよかったと思う。好みで言えば、こういう飾りのモニターの類は派手なメーターよりも、ほんのり輝く LED の明かりの強弱で回転状況を表現するほうがシックリくる。調整は 2 箇所ある。しかし、VR1 1KΩは大体 700 Ω程度、VR2 5KΩB は真ん中 2.5KΩ:2.5KΩ(GND) にして調整なしで使っても問題ない。センサーを放熱フィンに接着した状態で、大体 50 度(マザーボードのモニタの値、高めかも知れないけど)で落ち着く。組み込んだ後に、基板の全景を撮っていなかったことに気付く、送り出す前に、しっかり顔を見てやれば良かった。
2006.10.22
コメント(0)
World PC EXPO 2006 を見学した。第一印象は大分小さくなったということだ。2 ブロックだけの展示だ。パソコン見るなら、大型家電量販店だし、ソフト見るならアマゾンだし。実物展示と言うのは今の時代に合わないのかもしれない。その中でもプリンタメーカーは展示を続けていたのは、やはり印刷結果を見てもらうと言う行為に、意義があるのだろう。色々と説明員と話しをする機会も、blog みたいな新しい媒体が代わりをしようとしている。もっとも、顔を合わせた会話で得るものは大きいと思う。すっかり疲れてしまい、また日記が遅れた。後に続けていった秋葉原に行く、口直し(目なおし)かな。人も多いし、外国人も多いし、品数も多いし、こちらの方が国際的だった。
2006.10.21
コメント(0)
回路の作成と調整で夜が遅い毎日だ。いつも、作業に入る前に風呂を沸かしておくのだけど、ついつい入るのか遅くなる。作業場所と風呂が近いので、保温のためにガス釜に火が入る音がわかる。その度に、「ああ、入るの忘れているなぁ」と思いがよぎる。風呂を先に入ると、滴る滴や、湿気で作業がうまくいかない。半田の煙を洗い流すためにも、作業の後に入ることにしている。さて、「早く入りなさいよ」と怒る人が居ないのは幸せなのか?
2006.10.20
コメント(0)
通勤経路の途中で聞く虫の音がだんだんと小さくなる。自分の通勤経路は紅葉も、空の高さも、渡り鳥たちの声もなかなか聞こえない。徐々に小さく、少なく、そして段々といとおしく振るような鈴の音に虫の声は変っていく。冬のある日、いつか気付かぬ間に、すっかり聞こえなくなるのかもしれない。
2006.10.19
コメント(0)
朝の8時ちょっと前に地震、震源はは川向の東京都内で至近といったところだ。しかし変な揺れだった。まとまった揺れが来る 1, 2 分程度前にまるで薄氷を踏んで割った、あるいはガラスか瓦の上を歩いて割ったような単発的な揺れを感じた。その後にズー(あるいはゴー)という細かい振動が、20-30 秒程度続いた後、ゆらゆらと揺れだした。何事も無く良かった?んー、少し足止め食らって、ゆっくり出勤したかったな。
2006.10.18
コメント(0)
感温式ファンコントローラを試験した。センサーが外れ、出力が短絡状態だった場合、過電流保護が働かない事が分かった。そのままだと焼損する。部品を一つケチったのが問題だった。過電流検出の信号を LM324 の入力に入れる方法だと保護出来ない場合がある。元々は、過電流検出信号を受けるトランジスタを出力側に入れて、強制的にドライブを止める方式だった。何をしても平気というのは結構難しい。とりあえず、改修のためのメモを残す。
2006.10.17
コメント(0)
朝が寒かった。布団にずーと潜っていたい気分だった。起きても体が縮み、内股でソロリと歩いているのが分かる。家の各部屋にある通気口を閉じて、冬季モードに入る。少し朝の部屋の中が暖かくなるだろう。
2006.10.17
コメント(0)

感温式ファンコントローラをまた一つ組み立てた。秋葉原にもコントローラが売っているのだけど、あれは派手すぎてダメだと思う。まだ、回路は改修すべき所がある。出力電流制限値を小さくする R4,R8 修正温度センサーでノイズを拾うのでカット C6 とその近辺余計な部品削除 R3, R16, R18 各部電圧、電流再記入、OP アンプ端子番号振りなおし、などもう遅いので、とりあえずメモ書きをしておく。注意: 回路を示したけど、このまま組み立てると、出力短絡状態でトランジスタが熱くなりすぎたり、ノイズを拾って誤動作したり、発振するかもしれない。
2006.10.16
コメント(0)
Windows Xp があまりにも遅かったので実家の母親の PC のメモリ増設をした。256Mbyte から 512Mbyte へ強化した。中古(だけど century 刻印のある袋入りだから、保守放出品?)のメモリを付足し、memtest86 の簡易ループの方で 3 回 pass したのを確認した。休止状態と復帰も試してみて問題なし。そうだ、スタンバイと復帰も確かめておくべきだった。普段は使っていないので、まぁ後回しでも良いか。Windows Vista の事など何も知らない母親だ。PC と OS のグレードアップよりも、現行の PC がそのまま使えたほうが良いと思う。少し、早くなった気がすることを確認して、作業終了。
2006.10.15
コメント(0)

ちょっとまとめが間延びしたけど、発振していたシャントレギュレータを電源のファン制御回路に組み込んだ。結局のところ、1000uF のコンデンサで発振止めして、その代わりダイオードで逆流しないように阻止した。ファン制御用なのでそれほど難しいことはしないことにした。Va, Vb から右側回路を元々のコントロール回路の Vc, GND に並列に接続した。R6 最小回転維持抵抗は削除した。1W クラスのツエナーダイオードでも良かった気はするけど、部品箱に無かった。ファンの最小回転維持を抵抗ではなく、定電圧化すると案外と回転数を少なく出来る。もちろん、手で強制的に停止させても再起動するかどうか可変抵抗(R5 1.5K→VR 3.3KB)で調整しつつ確かめる。これで電源は静かになったので、今度は CPU ファンの騒音対策を画策中だ。
2006.10.14
コメント(2)
データーシートを検索するサイト datasheetarchive にアクセスできない。でも変だなぁ。会社からはアクセスできた。家電メーカーからのアクセスだと判断して、通るのか?それとも、ただ単に Proxy のキャッシュが生きていたのか?そもそも、この事態に気付いたのは、会社から google で検索した結果と、自宅で検索した結果が一致していなかったからだ。SEIKO EPSON のメロディ IC 7920を検索したら、どうも様子がおかしかった。なぜ 7920 かはまた後のネタにでもしておこう。国によっては検索結果にフィルターが掛かると聞く google だけど、同じ日本国内でも検索した結果がアクセス元によって偏っているとすると、何か嫌な感じがする。知らない間に目隠しを掛けられているのかもしれない。たぶん気のせいか?でも、技術的には不可能な話ではない。
2006.10.13
コメント(0)
まぁ、あまり職場の事は書けないのだけど、デジカメ新機能の議論が聞こえてくる。色々と機能てんこ盛りにしたいようだけど、単純に「1 秒でも長くシャッターチャンスを確保でき」、「1 ピクセルでも美しく」撮れればそれで良いと思う。映像を撮るという行為をグッと身近にしてくれる。それだけで十分嬉しいんだけどな。
2006.10.12
コメント(0)

他のブログでも散々取り上げられているから、余り面白いネタじゃないんだけど、旧日通ビルの近況の画像を撮った。ちょっと息抜き。秋葉原で空が広がる場所が殆ど無いことに改めて気付く。元々、空が嫌いな町かもしれない。電子部品も、PC パーツも、ソフトパッケージも、漫画も、メイドさんもみんな雨が嫌いだから。
2006.10.11
コメント(0)

昨日の日記で波形を出した TL431 LC 発振回路だけど、LTSpice シミュレーターでは発振しない回路になった。下は実回路である。実回路はシミュレータで発振しない。どうも、TL431 で位相回転してしまったことをシミュレートしていないようだ。C2 を大きい値 0.01uF にしてみて、位相に余裕を持たせると、示した実回路では逆に発振しない。実回路も L2 の Phase Dot が上に来る回路にする必要がある。シミュレータで発振するトランスの(結合)位相通りだ。L3 は発振波形さえ気にしなければ不要である。Vref に入れていた保護対オードは、不要だった。Verf が TL431 を壊すほどの電圧にならない。ちなみに、コイルとトランスは千石で買った(TDK と札に書かれた)白いトロイダルコアだ。TL431 にとって 500KHz で発振なんてちょっと無理だったらしい。
2006.10.10
コメント(0)

外は晴れているというのに色々と電子工作をした。シャントレギュレータ電源へ組み込み、TL431 LC 発振回路をバラックで確認、感温ファンコントローラ。とりあえず TL431 の LC 発振回路波形だけ、スナップショットをメモしておく。TL431 の LC 発振回路は回路の定数や、形式を変更した。各部電圧測定の結果、REF 入力につけたダイオードは無くても平気なことがわかった。電源に組み込んだシャントレギュレータも結局かなり安易な解決方法で発振を止めた。色々とまとめておく必要がある。でも今日は遅いから、ここまでにしておく。
2006.10.09
コメント(0)

KDDI の ひかりONE 回線に電話も、インターネットも切り替えた。しかし、電話が未だアナログ収容のままだ。右はモデムの様子で、下から 3 番目の電話ランプが未だ点いていない。VDSL モデムを使用開始してから 19 日が経過している。10/7(土) KDDI に問い合わせてみたけど、切り替え工事が済んでいないらしい。契約確認ページで見た結果も手続中だった。マイラインも契約が切れているせいか、電話をかけた直後の音声案内も流れない。大分時間が経つけど、この期間の電話代はどうなるのだろうか?NTT 東から請求されるのだろうか?契約時の説明では、切り替え期間中の利用料金はその現状状態(つまりアナログ回線)で課金されると説明があるけど、19日も放置されるとなると、契約不履行ではないかとも言いたくなる。NTT 東の作業が遅いのか、KDDI の作業が遅いのか、未だと縄張り争いがある様に感じてしまう。
2006.10.08
コメント(0)

CEATEC に出かけた後で疲れてしまったので、日記が 1 日遅れになった。色々と見てきたのだけど、一番印象に残ったのがウォーターコート、台風の悪戯だ。いつもは展示会なんて関係なく、音楽を流しながら、若者がバスケットで遊んでいる光景だった。結構撮影している人がいたので、あちこちで見かけるかもしれない。でも、こんな光景が非日常だと感じるのが、実はおかしいのかもしれない。昔は泥んこになりながら、野球、サッカーなどをしたものだ。グランドコンディションなんて関係なかった。今は携帯持っているし、音楽だって流すし、とても泥んこなんて無理な相談だ。ウォーターコートで遊べる場所は、コンピューターの中だけなのかもしれない。ドリブル不能の特別ルールだ。
2006.10.07
コメント(0)
前の日記で Vine Linux 4.0β で Kylix3 が動作しない現象を確認した。色々と試したところ、エディタフォントを適当に見やすい表示になるように設定すると、改善することがわかった。他の問題点も含めて、基本的な対処方法をまとめて置く。下線が入力できないキーマップを変更する$ /usr/X11R6/bin/xmodmap -e 'keycode 115=backslash underscore'日本語入力で激しくちらつく/etc/X11/xorg.conf の Section "Device" .. EndSection の中に Option "backingstore" と書いた行を加える。Vine Linux 4.0βでプロジェクトファイルを開くと、例外発生ダイアログが頻繁に表示される。エディタフォントを設定しなおすと直るかもしれない。例えば、ツール(T)→エディタオプション(E)...→表示→エディタフォント(F)="Sazanami Fixed", サイズ(S)="12"→[OK] と設定する。注: Kylix3 を C++ で使う場合については検証していない。Delphi 言語で使う場合に限定して調べた結果である。
2006.10.06
コメント(0)
ノートPCバッテリを端子がショートしないことを確認して菓子缶の中に入れておくことにした。リコール対象でも何でもないけど、日中は家に誰も居ない。何が起きても気付く手段が無い。可燃物に直接触れるよりは良いと思う。充電池の内部短絡は起きてしまうと外部の回路ではどうしようもない。回路設計としては、内部短絡の原因となる樹状結晶成長が起きない条件で動作させるしかない。しかし、かなりシビアだ。ノートパソコンはプロジェクタの熱い排気を浴びながら机に乗っていることもあるし、冬の寒い部屋で充電する事もある。振動、気圧、負荷条件も変化が激しい。以前 IC パッケージ内で樹状結晶が出来て故障してしまう問題が多発した。あれは、結構メーカーを悩ませたはずだ。あの故障以前の常識は、「電圧の波形、電圧が掛かる場所、温度、湿度条件で樹状結晶成長条件を絞れるはず」だった。しかし、パッケージ内の何処にでも出来る(つまり電界と無関係に起こりえる化学反応で、温度、湿度条件も広かった)とわかった段階で、故障する可能性がある製品が一気に拡大したと記憶している。と、色々心配するよりは、ノート PC を買い替えかな。Celeron 400MHz, 256Mbyte ゆえ wmv は元より Flash さえコマ落ちする。自分の家に比べれば、財産価値はほんの僅かなものだし。
2006.10.05
コメント(0)

昨日はアプリケーションノート通りの TL431 High-Current Shunt Regulator を作っていた。ある程度は覚悟していたけど、やっぱり発振した。TL431 は別途組み込んでくださいC1 を大きくすればそれなりに安定することは判っている。4.7uF 程度にすれば、発振は止まる。しかし、C1 を大きくする解決方法でよいのか考慮中だ。ちょっと前に改造した電源のファン制御回路に使おうと思っている。ファンの始動トルク不足を解消するため、ファン・ドライブ・トランジスタ HE8050 の CE間の抵抗を低くしたけど、やはり常用時の回転音が大きい。抵抗ではなくツェナーダイオード(の直列接続)かシャント・レギュレータに変える事を考えている。C1 が大きいと万が一でしかないが、CE 間に電流を多く流してしまう可能性が残る。普通は突然 HE8050 が ON 状態になり、C1 を短絡させるることは無いと思う。最終的な目標として、なるべく ツェナーダイオード の様に 2 端子の接続で済み、電流の吐き出しが無く、発振などの不安定動作がない事を考えている。いくつか策は有りそうだけど、1 日寝かせておく事にしよう。
2006.10.04
コメント(0)
夜よな半田ごてを握ってちょっと工作、ただ動作のほうは上手く行っていない。色々と、整理して再検討の必要がありそうだけど、疲れている。今日は色々とサボる。ただ、半田ごてだけは忘れずに火を落とそう。
2006.10.03
コメント(0)
インターネット接続と電話を光(VDSL)回線に乗り換えた。今まで使っていた ADSL モデムはレンタル品なので、返却する必要がある。しばらく放置しておくつもりだったけど、意外にも早く返却用の荷札が届いた。適当な箱に詰めて送れと指示が書かれている。レンタルされ機器のリストをまず見つけ出し、返却物を揃える必要がある。うーん、全部有るかなぁ。一度引越しもた。不安である。全部揃えて返却したとして、また再生されるのだろうか?速度は 12Mbps、付属のマニュアルは退色し汚れ、CD-ROM だって対応環境を考えると Windows Vista は漏れている(Mac の方が変化が激しいと思う)。通電期間は 3 年 * 24h を経過しているので、電子部品も寿命半ばかもしれない。別の場所でまた活躍するのか、あるいは秋葉原のジャンク屋で再会するのか、破砕処理されて、原料に返るのか。
2006.10.02
コメント(0)
久しぶりに日帰り温泉に浸かる。近くの都内の天然温泉に行ってきた。1 時間ほど風呂を浴びた後マッサージを受ける。いつも行くところなので、足つぼマッサージも定番コース化している。その効果は、信じる信じないがあるけど、いつもの様に、寝不足とそこから来る内臓の疲れを指摘される。押されてコリコリと痛い。それに加えて脳が疲れているのだそうだ。一層痛い。仕事でソースを追いかけ、家に帰れば、たいした量や規模じゃないけど、ソフト開発に、回路の落書き。人並みほどの仕事がこなせているとは思えないけど、脳の疲れだけは人並み以上らしい。
2006.10.01
コメント(0)
全32件 (32件中 1-32件目)
1


